浙江艺诺输配电设备有限公司的前身是浙江艺诺建材有限公司,是一家集研发、生产、销售为一体的综合性公司,浙江艺诺建材有限公司组建成立于2001年6月,为了本公司产品更具市场竞争力,先后成立了安徽省泽亚管业有限责任公司、浙江泽亚建材有限公司、浙江泽亚农业开发有限公司、浙江泽亚网络科技有限公司等;于2015年5月成功申请了泽亚建材集团有限公司,简称“泽亚集团”,实现了集研发、制造、销售为一体的大型综合性建材集团。于2020年1月投资建设了输配电工厂——浙江艺诺输配电设备有限公司
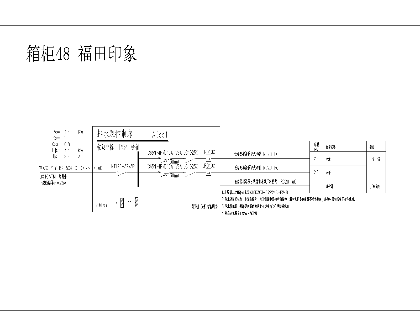
分类:福田印象 型号: