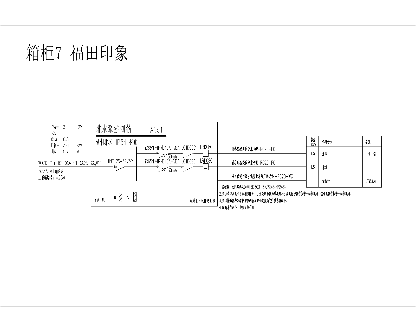
箱柜7

分类:福田印象    型号:


产品概述